電源濾波器原理圖,電源濾波器電路圖-KIA MOS管
信息來源:本站 日期:2024-02-23
電源濾波器是一種由電容、電感和電阻組成的濾波器,它的作用是:對特定頻率的頻點或該頻點以外的頻率進行有效濾除,得到所需要的有效信號。
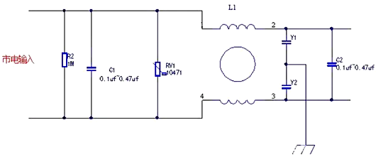
下圖是電源濾波器典型電路圖
C1、C2是差模電容器,一般稱為X電容,電容容量很多時候選擇在0.01μF到0.47μF之間;Y1和Y2是共模電容,一般稱為Y電容,電容量不宜過大,一般在幾十納法左右,選的太大容易引起漏電;
L1為共模扼流圈,它為同向繞在同一個鐵氧體環(huán)上的一對線圈,電感量約為幾毫亨,對于共模干擾電流,兩個線圈產生的磁場是同方向的,共模扼流圈表現出較大的阻抗,從而起到衰減干擾信號的作用;
而對于差模信號,兩個線圈產生的磁場抵消,因此不會影響到電路的性能。需要注意的是這是一級濾波器電路,如果想要效果得到更好可以采用二級濾波。
開關電源為減小體積、降低成本,單片開關電源一般采用簡易式單級EMI濾波器,典型電路圖所示。
圖(a)與圖(b)中的電容器C能濾除串模干擾,區(qū)別僅是圖(a)將C接在輸入端,圖(b)則接到輸出端。圖(c)、(d)所示電路較復雜,抑制干擾的效果更佳。圖(c)中的L、C1和C2用來濾除共模干擾,C3和C4濾除串模干擾。
R為泄放電阻,可將C3上積累的電荷泄放掉,避免因電荷積累而影響濾波特性;斷電后還能使電源的進線端L、N不帶電,保證使用的安全性。圖(d)則是把共模干擾濾波電容C3和C4接在輸出端。
聯系方式:鄒先生
聯系電話:0755-83888366-8022
手機:18123972950(微信同號)
QQ:2880195519
聯系地址:深圳市福田區(qū)金田路3037號金中環(huán)國際商務大廈2109
請搜微信公眾號:“KIA半導體”或掃一掃下圖“關注”官方微信公眾號
請“關注”官方微信公眾號:提供 MOS管 技術幫助
免責聲明:本網站部分文章或圖片來源其它出處,如有侵權,請聯系刪除。
